产品参数/ Product parameter
设备特点
1) 电解槽体为双极性压滤式板框结构,采用特殊密封结构和材料,长期运行无渗漏。
2) 负荷适应性强,操作压力和产量在额定值以下连续可调。
3) 电流效率高,能耗大大低于常压槽体。
4) 微处理器控制,自动运行,故障报警保护功能。
5) 接触介质部件全部采用优质不锈钢制作或表面镀镍处理,提高防腐性。
6) 使用寿命长,大修周期在10年以上。
7) 体积小重量轻,一体化框架结构组装,安装、运输方便。
8) 配套齐全,选择多样,可帮助用户获得好的经济性配置。
常用水电解制氢装置性能指标
氢气产量: 5-10m3/Nh
氧气产量: 2.5-5m3/Nh
氢气纯度: ≥99.8%
氧气纯度: ≥99.2%
系统工作压力: 2.5~3.2MPa
电解槽工作温度; 80~85℃
电解槽额定工作电流: DC500A-920A
电解槽额定工作电压: DC30-62V
直流电耗: ≤4.8kWh/m3H2
氢气露点: ≤–50℃
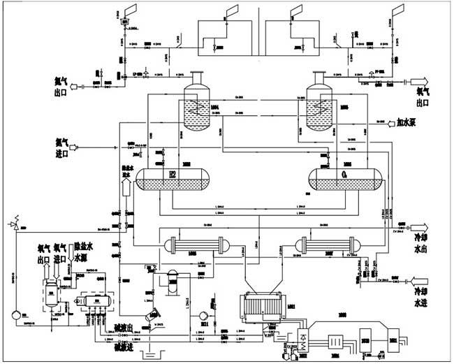
工艺流程
水在电解槽中被分解成氢气和氧气,随后分别进入氢、氧分离器进行气液分离,沉降下来的KOH溶液进入循环泵获得循环动力,经冷却器冷却、过滤器除去杂质后返回到电解槽中,维持整个电解工艺工程的连续进行。分离器中分离出来的氢气和氧气分别经过冷凝、除水后,经过程控制后送出发生器系统。一台送水泵间隙启动向系统中送水,以补充电解过程所消耗的水。


系统基本组成
制氢系统包括:
1)工艺设备——电解槽、附属设备框架Ⅰ、框架Ⅲ(补水泵、碱液箱、原料水箱)、框架Ⅱ
2)电气设备——整流柜、电气柜(配电柜或动力柜)
3)控制设备——控制柜
4)冷却设备——闭式除盐水装置
5)储氢装置——氢气储罐